Velkommen til å koble til
I sammenheng med den raske utviklingen av den nye energiindustrien, scenarier som f.eks kommersiell og industriell energilagring , batteribyttestasjoner , og husholdnings fotovoltaiske lagringssystemer har stilt høyere krav til nøyaktighet, kompatibilitet og intelligens av strømmåling . Acrel Electric har utviklet et komplett utvalg av nye energistøttende instrumenteringsløsninger. Disse løsningene er spesialdesignet for kjernekravene til forskjellige applikasjonsscenarier, og dekker målebehov fra husholdningsapplikasjoner med lav effekt til store industrielle og kommersielle energilagringssystemer. Løsningene gir pålitelig støtte for stabil drift og presis måling av nye energisystemer.
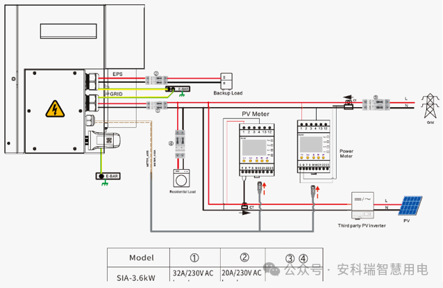
Solcelle- og energilagring i boliger representerer et viktig applikasjonsscenario for popularisering av ny energi. Acrel har utviklet svært kompatible instrumentprodukter rettet mot ulike underscenarier, inkludert matching av energilagringsinverter, hybrid inverterintegrasjon, fotovoltaiske lagringssystemer på balkonger og gjennomsiktige overføringssystemer punkt-til-punkt for mikroenergilagring . Disse produktene balanserer integrasjon, målehastighet og kommunikasjonsfleksibilitet.
Som svar på markedskarakteristikkene for kompatibilitet med flere merker i solcelle- og energilagringssystemer, er RS485 CT-konfigurasjonen tatt i bruk for å imøtekomme usikre installasjonsforhold for profesjonelle agenter. Instrumentene er sertifisert med internasjonale CE-MID-, UL- og RCM-sertifiseringer. Med en 50ms høyhastighets dataoppdateringsfrekvens støtter enhetene også fasesekvensjustering, noe som sikrer nøyaktig måling og sterk kompatibilitet.
For høye integreringskrav til alt-i-ett-energilagringsomformerdesign og tokanalsmålingskrav i ettermonteringsscenarier, er instrumentene utstyrt med spennings- og strømpluggterminaler og RJ45-kommunikasjonsporter. De støtter også 50 ms dataoppdateringshastigheter og fasesekvensjustering, sammen med et omfattende sertifiseringssystem, noe som gjør dem egnet for både ettermontering og nyinstallasjon.
Denne løsningen er designet spesielt for distribuerte solceller og energilagringssystemer med lav effekt på balkonger, og balanserer høy integrasjon med praktisk installasjon og igangkjøring. I tillegg til to-kanals måling og hurtigpluggsterminaler , støtter den også WiFi, WiFi HaLow og Bluetooth-feilsøkingsfunksjoner . Den trådløse designen forenkler installasjonen i småskala scenarier betydelig, og produktet har CE-RED-sertifisering.
For å adressere dårlig penetrasjon og ustabil nettverksytelse av traditional WiFi in micro-energy storage scenarios, WiFi HaLow (Sub-1GHz) kommunikasjonsteknologi er tatt i bruk. Sammenlignet med tradisjonell WiFi gir den sterkere penetrasjonsevne og lengre overføringsavstand. Sammenlignet med LoRa-kommunikasjon gir den høyere overføringshastighet og bedre stabilitet. Instrumentet støtter naturlig denne teknologien, og krever bare et ekstra AP på omformersiden for å muliggjøre trådløs kommunikasjon. Den støtter også en-til-en og en-til-mange rask nettverkskonfigurasjon, noe som gjør den egnet for husholdnings multi-inverter og balkong mikrolagringssystemer.
Industriell og kommersiell energilagring, storskala energilagring og batteribyttestasjoner krever strenge standarder for målenøyaktighet, oppdateringshastighet, installasjonsfleksibilitet og overholdelse av regelverk. Acrel leverer innebygde og DIN-skinnemonterte instrumentprodukter basert på nøkkelkrav som f.eks multi-tariff fakturering, behovsmåling, anti-revers strømstrømbeskyttelse og trådløs kommunikasjon , som støtter både nye installasjoner og ettermonteringsapplikasjoner.
APM521 har oppnådd utenlandsk CSA (UL)-sertifisering og gir aktiv energimålingsnøyaktighet opp til 0,2s klasse (klasse D). Den er utstyrt med SD-kortlagring for sanntids elektriske parametere. Den modulære hovedenhetens utvidelsesmoduldesign støtter både innebygd og DIN-skinnemontering, og oppfyller varierte installasjonskrav i nye prosjekter.
Dette er en 0,5S klassemåler med ekstern CT, mye brukt i store kundeapplikasjoner. Den støtter sekundær CT-ettermonteringsledninger og kan direkte klemme sekundærsidestrømmen til eksisterende strømtransformatorer, noe som gjør den svært egnet for ettermonteringsprosjekter for målere. Produktet har CPA-, CE- og UL-sertifiseringer og kan også tilpasses til en høyhastighets oppdateringsversjon for å møte kravene til høyytelsesapplikasjoner.
I tillegg integrerer de industrielle og kommersielle løsningene også funksjoner for beskyttelse mot overbelastning. Systemet kan kobles til høy- og lavspente energilagringsscenarier og kan fungere med multi-tariff strømmålere for å oppnå nøyaktig strømmåling under forskjellige tariffstrukturer, og gir omfattende sikkerhets- og energistyringsstøtte for industrielle og kommersielle energilagringssystemer og batteribyttestasjoner.
I sammenheng med kontinuerlige oppgraderinger i den nye energiindustrien, vil Acrel fortsette å fokusere på innovasjon og ytterligere forbedre sin nye energistøttende instrumenteringsteknologi og produktsystem. Selskapet har som mål å tilby mer effektiv, intelligent og pålitelig strømmåling solutions for kommersiell og industriell energilagring, batteribyttestasjoner og fotovoltaiske lagringsapplikasjoner i husholdninger, som bidrar til å fremme høykvalitetsutvikling av den nye energiindustrien.
