Anvendelse av Acrel Medical IT System på malaysiske sykehus
Hjem / Prosjekter / Sykehus / Anvendelse av Acrel Medical IT System på malaysiske sykehus

Anvendelse av Acrel Medical IT System på malaysiske sykehus

Med økende bruk av elektronisk medisinsk utstyr på sykehus utgjør risikoen for lekkasjestrøm betydelige trusler mot pasientsikkerheten, spesielt i kritiske omsorgsmiljøer. Under kirurgiske inngrep eller anestesi kobles pasientene direkte til ulike elektroder og sensorer. Selv minimale lekkasjestrømmer kan forårsake elektrisk støt når medisinsk utstyr er i direkte kontakt med menneskekroppen.

Videre skal livsnødvendig utstyr for kritisk syke pasienter opprettholde uavbrutt drift. Ethvert strømbrudd kan umiddelbart sette pasientens liv i fare. Derfor må sykehusets elektriske systemer strengt overholde nasjonale standarder ved å implementere IT-strømforsyningssystemer i utpekte områder.

Denne casestudien demonstrerer bruken av Acrels medisinsk isolerte strømforsyningssystem i Malaysia, med:

Medisinsk IT kraftdistribusjon

Isolasjonsovervåkingsenheter

Feilplasseringssystemer

Kontakt oss
  • Prosjektoversikt
  • Prosjektoversikt
    Malaysia I.E.D er lokalisert i SELANGOR DARUL EHSAN, prosjektet brukes hovedsakelig på øysykehus i Malaysia, produktene brukes for 12 krets isolasjonsfeilplassering for 3 sett sykehusisolert strømsystem, de relaterte produktene er isolasjonsmonitorenhet AIM-M200, signaltestgenerator ASG150, sentralisert alarmindikator, AID150ault AIL150-8, AIL150-4 og lekkasjestrømtransformator AKH-0.66P26.


    Introduksjon til medisinsk IT-system
    ACREL medisinsk IT-system isolasjonsovervåkingsenhet og feillokaliseringssystem er egnet for sykehusoperasjonsrom, ICU (CCU) og andre viktige steder, og kan gi et trygt sted for slike kontinuerlige, pålitelige strømløsninger.


    Strømforsyningsløsning for medisinske steder
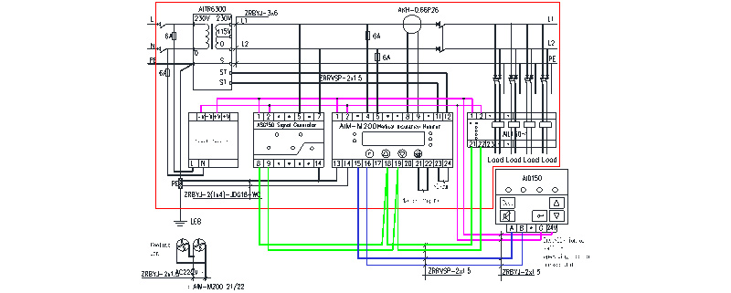
    ICU, CCU-avdelingens distribusjonsløsninger (GGF-I8G isolert elektrisk skapsystemdiagram, for eksempel)


    Alternativ I uten feilplasseringsfunksjon


    Alternativ II med feilsøkingsfunksjon

    MERK: I kraftdistribusjonsløsningene til intensivavdelingen, bør AID-seriens sentraliserte alarmer og displayenheter installeres på sykepleiernes stasjon, sykehuspersonalet på sykepleiernes stasjon overvåker driftsstatusen til hvert isolert strømsystem.


    Operasjonsromsdistribusjonsløsninger (GGF-O8G isolere elektrisk skapsystemdiagram, for eksempel)

    Alternativ I uten isolasjonsfeilplasseringsfunksjon


    Alternativ II med isolasjonsfeilplasseringsfunksjon

    1. I strømdistribusjonsløsningene på operasjonsrommet bør AID-serien med eksterne alarm- og displayenheter installeres på etterretningspanelet inne i operasjonssalen, eller ved siden av etterretningspanelet (veggmontert installasjon). Under operasjonen overvåker det medisinske personalet helsen til det isolerte kraftsystemet.

    2. I skjemaet med isolasjonsfeillokaliseringsfunksjon, hvis antallet lokaliserte kanaler er mer enn åtte, kan to sett med AIL150-lokalisatorer brukes. Kombinasjonen kan være AIL150-8 og AIL150-4 (opptil 12 kanaler), eller AIL150 -8 og AIL150-8 (opptil 16 kanaler).

    3. Typisk koblingsskjema






    4. Introduksjon av 7-delt medisinsk IT

    Produktnavn og type Produktbilde Beskrivelse
    AITR-serien medisinsk isolasjonstransformator AITR-seriens isolasjonstransformator brukes spesielt i medisinske IT-systemer. Viklingene er behandlet med dobbel isolasjon og har et elektrostatisk skjermingslag, som reduserer elektromagnetisk interferens mellom viklinger. Temperatursensoren PT100 er installert i trådposen for å overvåke temperaturen på transformatoren. Hele kroppen er behandlet med vakuuminvasjonsmaling, som øker mekanisk styrke og korrosjonsbestandighet. Produktet har god temperaturøkningsytelse og svært lav støy.
    AIM-M200 medisinsk intelligent isolasjonsovervåkingsinstrument AIM-M200 medisinsk itelligent isolasjonsovervåkingsinstrument tar i bruk avansert mikrokontrollerteknologi, som har høy integrasjon, kompakt størrelse, praktisk installasjon og integrerer itelligence, digitalisering og nettverk i ett. Det er det ideelle valget for isolasjonsovervåking av isolerte strømsystemer i klasse 2 medisinske steder som operasjonsrom og intensivavdelinger.
    AKH-0.66P26 strømtransformator Strømtransformatoren AKH-O 66P26 er den beskyttende strømtransformatoren som støtter AIM-M200 isolasjonsmonitor, hvorav den maksimale målbare strømmen er 60A og transformasjonsforholdet er 2000:1. Strømtransformatoren er direkte festet inne i skapet ved å skru, og sekundærsiden ledes ut av terminalen, som er praktisk å installere og bruke.
    AIL150-4/AIL150-8 isolasjonsfeilsøker AIL150-4/AIL150-8 isolasjonsfeilsøker adopts high sensitivity transformer combined with a high precision signal detecting circuit, which detects the signal imported into the system from the ASG150 test signal generator and accurately locates the circuits which have insulation faults. AIL150-4 insulation fault locator can locate the insulation faults of 4 circuits, and the AIL150-8 insulation fault locator can locate the insulation faults of 8 circuits.
    ASG150 testsignalgenerator ASG150-testsignalgeneratoren bruker en 32-bits mikroprosessorbrikke og høypresisjonssignalgenereringskrets for å realisere genereringen av det spesifikke testsignalet. Når det overvåkede IT-systemet har isolasjonsfeil, kan det starte opp og produsere et testsignal i tide, og jobbe med isolasjonsfeillokaliseringen for å realisere isolasjonsfeilplassering.
    HDR-60-24 strømmodul HDR-60-24 likestrømsstrømforsyning kan gi 24V DC strømforsyning samtidig for AIM-M200
    medisinsk intelligent isolasjonsovervåkingsinstrument, ASG150 testsignalgenerator, AIL150-seriens isolasjonsfeilsøker og AID150 sentralisert alarm- og displayinstrument Strømforsyningen har høy kapasitet, stabil spenningsutgang og praktisk installasjon, som kan oppfylle strømforsyningskravene til de ovennevnte målerne og er det anbefalte strømforsyningsproduktet.
    AID1 50 sentralisert alarm og display instrument AID150 sentralisert alarm- og displayinstrument tar i bruk LCD flytende krystalldisplay og oppnår datautveksling med AIM-M200 medisinsk intelligent isolasjonsovervåkingsinstrument gjennom RS485-kommunikasjonsgrensesnittet, som kan overvåke flerkanalsdata i sanntid fra AIM-M200 medisinsk intelligent isolasjonsovervåkingsinstrument.

    Bilder på stedet



Acrel Co., Ltd.