Vurdert strøm 80A direkte
MID-sertifisert
Høy nøyaktighetsklasse C
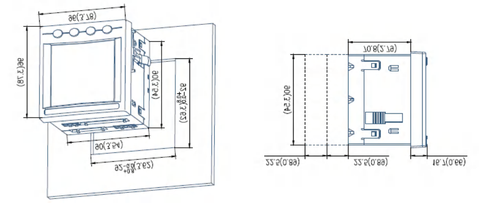
35mm DIN-skinnemontert
Pulsutgang
4 moduler 72mm Bredde
For IoT Energy Management, Factory, School
Ekte RMS-målinger
THD med 63rd Harmonics
K-Factor og Crest Factor
Ubalanse og fasevinkler
Krav og Multi-Tariff energi
Maks/min logg med tidsstempel
+86-18702106858 / +86-21-69156352
APM810 er en 0.2S-klasse trefase AC multifunksjonspanelmåler konstruert for presis energiovervåking, strømkvalitetsdiagnostikk og underfakturering av leietakere i industrielle, kommersielle og datasentersentraler. Det kompakte 96×96 mm DIN-kabinettet er vert for en farge-TFT-berøringsskjerm som viser sann RMS-spenning til 690 V, strøm, frekvens, aktiv/reaktiv/tilsynelatende effekt, PF, etterspørsel, harmoniske til 63rd, THD og fire-kvadrant kWh/kvarh. Dual RS485 Modbus-RTU, Ethernet TCP/IP, BACnet/IP, SNMP og valgfri Wi-Fi/LoRa leverer sømløs BMS/EMS-integrasjon, mens 4 MB innebygd minne logger 12-måneders belastningsprofiler for energirevisjon. Konfigurerbare over/underspenning, strøm, PF og harmoniske alarmer driver reléutganger eller digitale innganger for smart bryterkontroll; puls-, SOE- og tariff-TOU-registre støtter applikasjoner for AMI, solenerginettmåling og EV-lading. Bred 3×57,7–690 V, 0,001–10 A direkte eller CT/VT-tilkobling pluss manipulasjonssikker forsegling passer til enhver utplassering av smartnett eller mikronett.
| Tekniske parametere | Verdi | |||
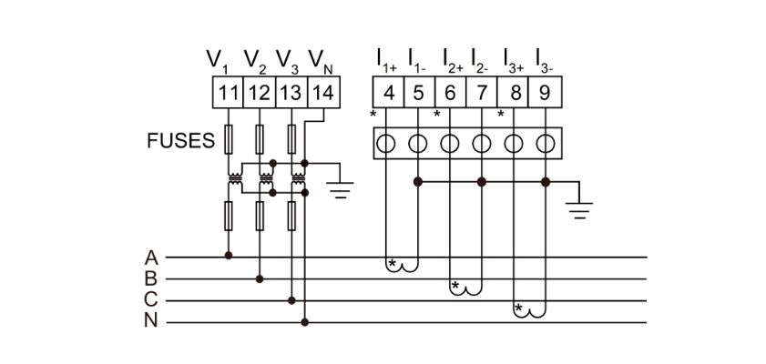
| Inndata | Tilkobling | Enfase-2-leder, 3-fase-3-leder, 3-fase-4-leder | ||
| Frekvens | 45-65Hz | |||
| Spenning | Vurdering: | |||
| enfase: AC 100V, 400V | ||||
| Trefase: AC 3×57,7V/100V(100V),3×220V/380V(400V),3×380V/660V(660V)(kun 96 størrelse) | ||||
| Overbelastning: 1,2 ganger vurdering {kontinuerlig): 2 ganger vurdering i 1 sekund | ||||
| Strømforbruk:< 0,5VA | ||||
| Gjeldende | Vurdering: AC IA、5A | |||
| Overbelastning: 1,2 ganger vurdering (kontinuerlig); 10 ganger vurdering i 1 sekund | ||||
| Strømforbruk:< 0,5VA | ||||
| Utgang | Elektrisk energi | Utgang mode:open-collector photo-coupler pulse | ||
| Pulskonstant: 10000imp/kWh (kan stilles inn), se koblingsskjema for detaljer. | ||||
| Kommunikasjon | RS485-port, Modbus -RTU-protokoll, DLT645-protokoll (versjon 07 og 97), | |||
| overføringshastighet 1200 ~ 38400 | ||||
| Funksjon | Bytte inngang | Tørr kontaktinngang, innebygd strømforsyning; hvis modellen er KA, er den AC 220V aktiv. | ||
| Bytte utgang | Utgang mode: Relay normally open contact output | |||
| Kontaktkapasitet: AC 250V/3A, DC 30V/3A | ||||
| Analog utgang | 4 - 20mA | |||
| Nøyaktighetsklasse | Frekvens:0.05Hz,Current、Voltage:0.2 class,Reactive power:l .0class,Reactive Electric energy:l .0class, active power:0.5class,active electric energy: 0.5class,2-31th harmonic measurement:±1% | |||
| Strømforsyning | AC/DC 85-265V eller DC24V(±20%)eller DC48V(±20%) | |||
| strømforbruk ≤10VA | ||||
| Sikkerhet | Strømfrekvens tåler spenning | Mellom Strømforsyning//Bytteutgang// Strøminngang//spenningsinngang og overføring// Kommunikasjon //Pulsutgang//bytteinngang AC 2 kV 1min; | ||
| Mellom strømforsyning、svitsjeutgang、strøminngang、spenninginngang AC 2 kV 1min; | ||||
| Mellom sending、kommunikasjon、pulsutgang、svitsjeinngang AC 1kV 1 min; | ||||
| Isolasjonsmotstand | Inndata、Output end to machine enclosure >100MΩ | |||
| Miljø | Temperatur | arbeid: -25°C~ 65°C lagring: -40°C ~ 80°C | ||
| Fuktighet | ≤93%RH Ikke-kondenserende | |||
| Høyde | ≤2500m | |||
Strømovervåkingsløsning
Acrel Co., Ltd.【Aktierkode: 300286.SZ】 ble grunnlagt i 2003 og er en høyteknologisk bedrift som spesialiserer seg på energistyringsløsninger og elektrisk sikkerhet. Acrel har hovedkontor i Shanghai og tilbyr innovative og bærekraftige løsninger for energieffektivitet i mikronett og elektrisk sikkerhet. Med over 600 patenter og opphavsrettigheter til programvare, har Acrel distribuert mer enn 28 000 systemløsninger globalt, og danner en omfattende "cloud-edge-end" energiinternettarkitektur.
Acrel Co., Ltd. is China Wholesale AC trefase programmerbar panelmontert energimåler Manufacturers and AC trefase programmerbar panelmontert energimåler Factory. Acrel's integrated product ecosystem spans from cloud platform software to end-user components, covering sectors such as power, renewable energy, data centers, smart buildings, transportation, and smart cities. These solutions enable intelligent, real-time energy management, enhancing energy security and reducing operational costs. We offer AC trefase programmerbar panelmontert energimåler for sale.
Selskapets produksjonsanlegg, Jiangsu Acrel Electric Manufacturing Co., Ltd., holder seg til strenge kvalitetsstandarder og miljøretningslinjer, med avanserte testsentre og en forpliktelse til blyfrie produksjonsprosesser. Acrels team på over 500 ingeniører leverer banebrytende energieffektivitetssystemer og smarte energiløsninger.
Med en sterk nasjonal tilstedeværelse, utvider Acrel aktivt internasjonalt, støttet av et globalt nettverk av salgs- og tekniske team og en e-handelsplattform som sikrer sømløse serviceopplevelser over hele verden. Acrel er stolt av å hjelpe virksomheter med å forbedre effektiviteten, redusere forbruket og oppnå bærekraftsmål.
Sammen bygger vi en smartere og grønnere fremtid.
Autoriserte patenter
0+Antall kunder betjent
0+Totalt ansatte
0+Produksjonsbase
0m²Det moderne elektriske logskapet er en kompleks billedvev av sammenkoblede kraftsystemer, hovedsakelig vekselstrøm (AC) for generering, overføring og distribusjon. Fremveksten av fornybar energi, energilagring, elektriske kjøretøy og industrielle prosesser har imidlertid drevet likestrømsystemer ...
Read MoreDet moderne elektriske nettet er et mesterverk innen ingeniørkunst, et enormt og sammenkoblet nettverk designet for å levere kraft fra generasjonskilder til sluttbrukere med bemerkelsesverdig pålitelighet. I hjertet av dette systemet ligger høyspentoverføringslinjene, muskelarteriene som bærer en...
Read MoreI riket av elektrisk vedlikehold, energiledelse og systempålitelighet, rollen til strømkvalitetsanalysator er uunnværlig. Disse enhetene har lenge vært hjørnesteinen for å diagnostisere et bredt spekter av elektriske problemer, fra enkle spenningssvingninger til komplekse forbigående hende...
Read More